DCM SAC1010A-470i

Item No.: 230.1709

Coaxial LED Light

Even coaxial light DCM Sistemes SAC serie

The lights are reflected by 45 degrees half mirror to provide light in line with the camera and produces a diffused light upcoming from the camera axis which eliminates shines and shadows on reflecting objects.

The built-in iBlueDrive technology controller gives you the possibility to connect this light direct to the camera or triggersignal in continuous-, dim- or strobe mode, therefore there is no more need for an external controller.

The strobe mode factory preset is 47 pulses per second, this can be set to a maximum of 5000 pulses per second with a USB program cable (sold separately) and the iBueDrive control manager software. You can find more information about iBlueDrive technology here.

iBlueDrive supports: NPN, PNP, TLL, Continuous en Dim

Applications: metal surface, film, LCD and glass, pattern on PCB, surface inspection and alignment, wafer

Full technical specifications: Click here to download

Manufactured in Europe iBlueDrive Logo

Extension cable

1.201,00
(Price excluding VAT)
EAN
7435845763750
Type of illumination
Coaxial
Shape
Coaxial
Angle
0
Colour
Blue
Voltage Input
24V
IP
40
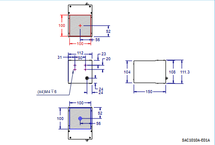
Size
100
Brand
DCM sistemes
Series
SAC

Specification

- Colour Blue

- Size 100x100mm

- Angle 0°

- Continuous and Strobe Applications

- 3P male chassis connector

Technical information

24V DC Input Power

Voltage/Watt

24V / 8.3 W (Blue)

470nm

iBlueDrive Technology

iBlueDrive wiring options:

  • NPN Strobe mode
  • PNP Strobe mode
  • TTL Strobe mode
  • Contionus mode
  • Continius diming mode
  • NPN on/off
  • PNP on/off
  • TTL on/off